Description:

Project Title: Concept Sewage Treatment Plant in Preveza
Date: 2018
Design Type: Ε/Μ Pre-Design
Location: Preveza – Greece
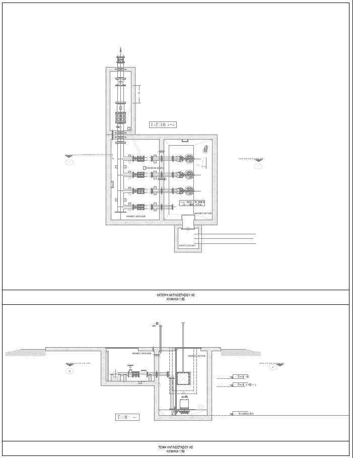
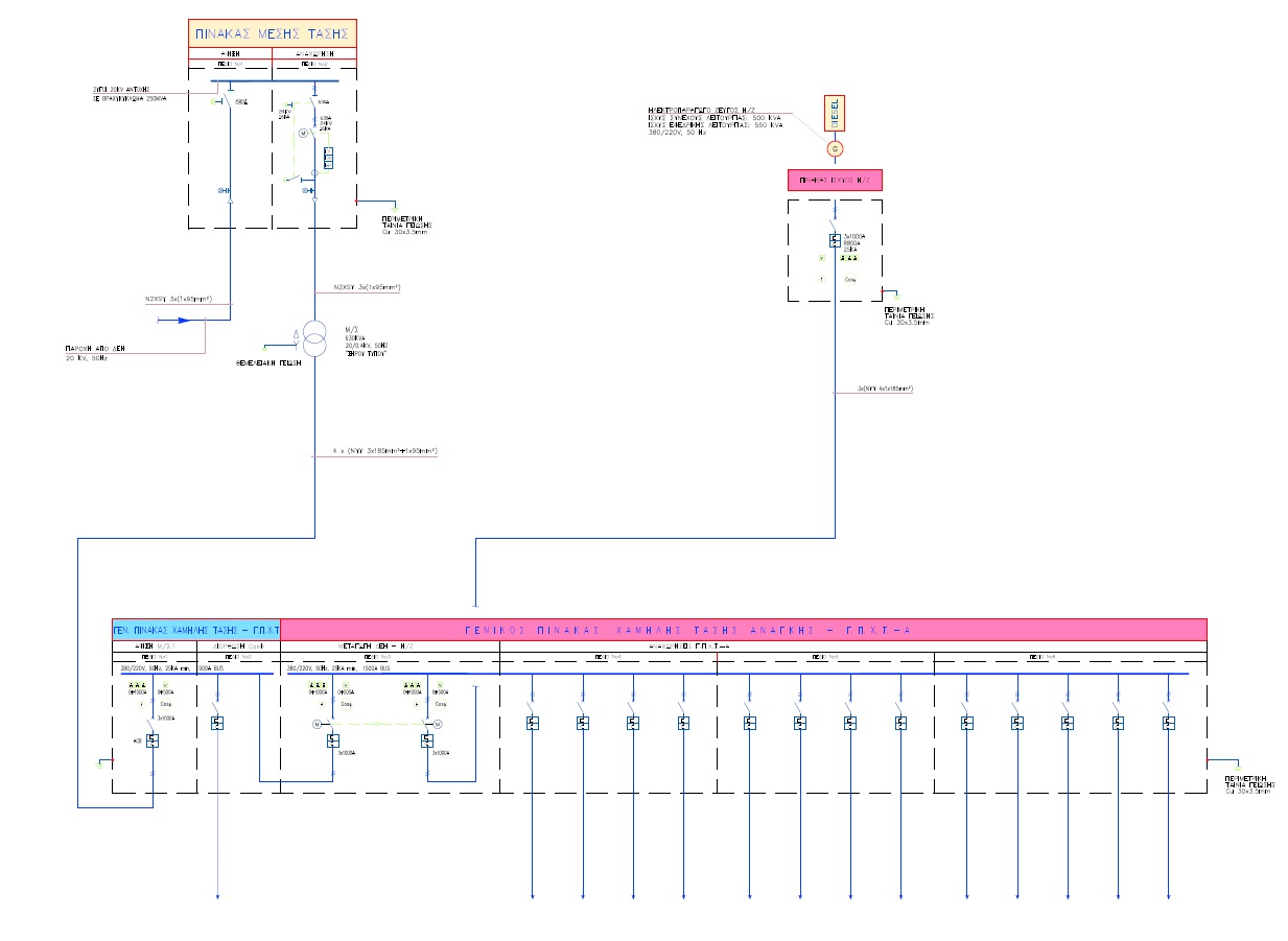
Description: E/M Pre-design for the Wastewater Treatment Plant and Wastewater Pre-treatment Plant using the Εlectrophoresis method.


PATH Engineering Consultants was founded by the merge of the personal companies of Thanos Spiliotopoulos, Mechanical Engineer, MSc and Panos Tampakopoulos, Mechanical Engineer, MEng. Both partners have a long experience in the building/industrial mechanical & electrical design, as well as in the marine HVAC field by participating in the design, installation and commissioning of several significant projects. By joining their expertise under PATH Engineering Consultants together with the highly skilled design team they can provide innovative design solutions and consultancy for any marine and building application.

Head Office

Address: Angelou Sikelianou Str. 4, Neo Psychiko, 154 51, Athens, Greece
Phone: (+30) 210 677 0101
Email: [email protected]
Web: https://pathengineering.gr

Branch Office

Address: 28 Makarios III Avenue, Office 117, City Plaza, 1065, Nicosia, Cyprus
Phone: (+357) 99 237 816
Email: [email protected]
Web: https://pathengineering.gr
© Copyright 2018 - pathengineering.gr